+ Lisa oma töö      

Otsid ehitajat "Vundamenditööd" valdkonnast?

Parima pakkumise ja teostaja leidmiseks lisa oma töö.

Sauna vundament

ID 17091

11162 vaatamist

Prindi

  • check Pakkumiste tegemine
    kuni 02.07.2009
  • check Võitja valik kuni
    09.07.2009
  • 3 Töö teostamine
    ja hinnang
Hanke lõpp: N, 2. juuli, 2009
Maakond: Läänemaa
Muu asula: Kullamaa
Tööde algus: K, 08. juuli, 2009 (Soovituslik)
Tööde lõpp: P, 10. mai, 2026 (Soovituslik)
Ehitusmaterjalid: Töö tegija poolt

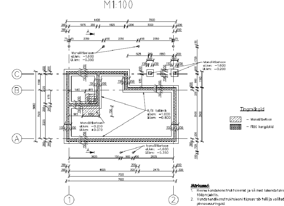
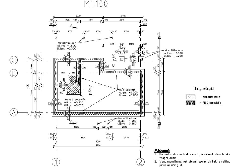
Töö sisu

sauna 8 x 5m vundamendi ehitus nullist alates. Pakkumine peab sisaldama kõiki materjale ja tööd.

Pildid, video ja failid

Hanke korraldaja: ettevõte ID2158

Pakkumised

Pakkumisi kokku: 4

Ettevõte Summa Käibemaks Lisatud Vestlus
Kasutaja ikoon ID17036
Pakkuja profiil Väike nool paremale
3 365,3€ Ei sisalda Ei sisalda 30.06.2009 Vestlus (0)

Pakkumise kirjeldus:

Tere.Pakkumises vundamendi augu kaevamine kui on paas või vesiliiv tuleb hind üle vaadata, taldmik,saalungid armatuur ja betoon,sokkel fibo 3/200 208tk, tagasitäide,põrandastyrox 80/100 ja betoonpõranda valu.Vaadake ka tehtud töid,Abiks nõuga ja tegemistes.Parimatega

Kasutaja ikoon ID19844
Pakkuja profiil Väike nool paremale
6 391,1€ Sisaldab KM Sisaldab KM 30.06.2009 Vestlus (0)
Kasutaja ikoon ID21034
Pakkuja profiil Väike nool paremale
3 225,2€ Sisaldab KM Sisaldab KM 01.07.2009 Vestlus (0)
Kasutaja ikoon ID8633
Pakkuja profiil Väike nool paremale
3 520,3€ Ei sisalda Ei sisalda 02.07.2009 Vestlus (0)

Pakkumise kirjeldus:

töö,materjal

Küsimused hanke korraldajale

Küsimus: private ID1162   30.06.2009 08:45
tere. kas saaks lõike kah üles panna.

Teavita reeglite rikkumisest

Korraldaja vastus: 10.05.2026 18:12

Olemas. Ei ole paas ega vesiliiv. Tegu vana lauda vundamendikohaga.

Teavita reeglite rikkumisest

Lisa küsimus

Lisa küsimus

Minu pakkumine

Reeglid

Pakkumise kirjelduse väli on mõeldud pakkumise detailsemaks lahti kirjutamiseks. Pikema teksti mugavaks sisestamiseks klikkige kasti paremal ülaservas oleval ikoonil.
Pakkumist tehes on keelatud postitada enda kontaktandmeid (nimi, telefon, aadress jne). Me jälgime ja analüüsime pakkumisi, et vältida pettuseid ja reeglite rikkumisi.
Rikkumise puhul kasutajakonto blokeeritakse.

 

Vanemad teated:

Vaata kõiki

Sellel veebilehel kasutatakse küpsiseid. Kasutamist jätkates nõustute küpsiste kasutamisega.

Sulge
 
Minu pakkumine

Reeglid

Pakkumise kirjelduse väli on mõeldud pakkumise detailsemaks lahti kirjutamiseks. Pikema teksti mugavaks sisestamiseks klikkige kasti paremal ülaservas oleval ikoonil.
Pakkumist tehes on keelatud postitada enda kontaktandmeid (nimi, telefon, aadress jne). Me jälgime ja analüüsime pakkumisi, et vältida pettuseid ja reeglite rikkumisi.
Rikkumise puhul kasutajakonto blokeeritakse.