+ Lisa oma töö      

Otsid ehitajat "Vundamenditööd" valdkonnast?

Parima pakkumise ja teostaja leidmiseks lisa oma töö.

Lintvundamendi rajamine

ID 30535

5838 vaatamist

Prindi

  • check Pakkumiste tegemine
    kuni 05.07.2014
  • check Võitja valik kuni
    12.07.2014
  • 3 Töö teostamine
    ja hinnang
Hanke lõpp: L, 5. juuli, 2014
Maakond: Tartumaa
Muu asula: Soninaste
Tööde algus: L, 12. juuli, 2014 (Soovituslik)
Tööde lõpp: R, 01. august, 2014 (Soovituslik)
Ehitusmaterjalid: Töö tegija poolt

Töö sisu

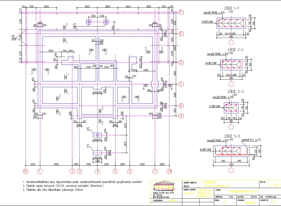
Kaksikelamule rajatakse monoliitsest raudbetoonist madalvundament (lintvundament)Ootan pakkumisi lintvundamendi rajamisele Tartu soinaste külas. Objektil Puudub vesi ja elekter. Juurdepääs hea. Töö peab tulema kvaliteetne, õigete mõõtmetega, õigele sügavusele/kohale, vastupidav. Eeldatavad tööd oleksid:
1) mahamärkimine
2) vundamendi süvendite kaevamine koos loodimisega ning vundamendi aluse täitmine ja tihendamine killustikuga vajaliku kõrguseni;
3) vee ja kanalisatsioonitorude läbiviigu paigaldamine taldmiku alla(hetke seisuga pakkumise mitte lisada)
4) taldmiku raketise armeerimine ning betooni valamine ja tihendamisega;
5) sokkel rajatakse columbia kivist,armeeritakse ja betoneeritakse täis

Pildid, video ja failid

Hanke korraldaja: eraisik ID35681

Pakkumised

Pakkumisi kokku: 4

Ettevõte Summa Käibemaks Lisatud Vestlus
Kasutaja ikoon ID8095
Pakkuja profiil Väike nool paremale
12 400€ Ei sisalda Ei sisalda 29.06.2014 Vestlus (3)

Pakkumise kirjeldus:

Pakkumine tehtud ainult tööle.

Kasutaja ikoon ID34704
Pakkuja profiil Väike nool paremale
5 000€ Ei sisalda Ei sisalda 04.07.2014 Vestlus (5)

Pakkumise kirjeldus:

Hind ei sisalda materjale, kopp meie poolt.

Kasutaja ikoon ID35551
Pakkuja profiil Väike nool paremale
8 500€ Ei sisalda Ei sisalda 04.07.2014 Vestlus (2)
Kasutaja ikoon ID2688
Pakkuja profiil Väike nool paremale
8 400€ Ei sisalda Ei sisalda 04.07.2014 Vestlus (2)

Küsimused hanke korraldajale

Hanke korraldajale ei ole veel küsimusi esitatud.

Lisa küsimus

Lisa küsimus

Minu pakkumine

Reeglid

Pakkumise kirjelduse väli on mõeldud pakkumise detailsemaks lahti kirjutamiseks. Pikema teksti mugavaks sisestamiseks klikkige kasti paremal ülaservas oleval ikoonil.
Pakkumist tehes on keelatud postitada enda kontaktandmeid (nimi, telefon, aadress jne). Me jälgime ja analüüsime pakkumisi, et vältida pettuseid ja reeglite rikkumisi.
Rikkumise puhul kasutajakonto blokeeritakse.

 

Teisi töid samas valdkonnas

Valdkonnas "Vundamenditööd" on 5 aktiivset tööd

no-img Pilt puudub

Plaatvundament koos kommunikatsioonidega

Asukoht: Harjumaa
Aega jäänud: 5p 10h
Tehtud pakkumisi: 2

Vundamendi ehitus

Asukoht: Harjumaa, Ülgase
Aega jäänud: 5p 10h
Tehtud pakkumisi: 1

Vanemad teated:

Vaata kõiki

Sellel veebilehel kasutatakse küpsiseid. Kasutamist jätkates nõustute küpsiste kasutamisega.

Sulge
 
Minu pakkumine

Reeglid

Pakkumise kirjelduse väli on mõeldud pakkumise detailsemaks lahti kirjutamiseks. Pikema teksti mugavaks sisestamiseks klikkige kasti paremal ülaservas oleval ikoonil.
Pakkumist tehes on keelatud postitada enda kontaktandmeid (nimi, telefon, aadress jne). Me jälgime ja analüüsime pakkumisi, et vältida pettuseid ja reeglite rikkumisi.
Rikkumise puhul kasutajakonto blokeeritakse.