+ Lisa oma töö      

Otsid ehitajat "Fassaaditööd" valdkonnast?

Parima pakkumise ja teostaja leidmiseks lisa oma töö.

Hange on lõppenud!

Võitjaks osutus kasutaja ID 4459

Eramaja fassaadi krohvimine ja värvimine

ID 32945

4466 vaatamist

Prindi

  • check Pakkumiste tegemine
    kuni 28.04.2015
  • check Võitja valik kuni
    05.05.2015
  • 3 Töö teostamine
    ja hinnang
Hanke lõpp: T, 28. aprill, 2015
Maakond: Harjumaa
Muu asula: Nõmme
Tööde algus: E, 11. mai, 2015 (Soovituslik)
Tööde lõpp: P, 24. mai, 2015 (Soovituslik)
Ehitusmaterjalid: Töö tegija poolt

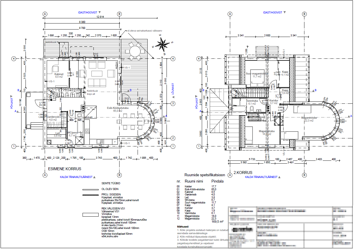
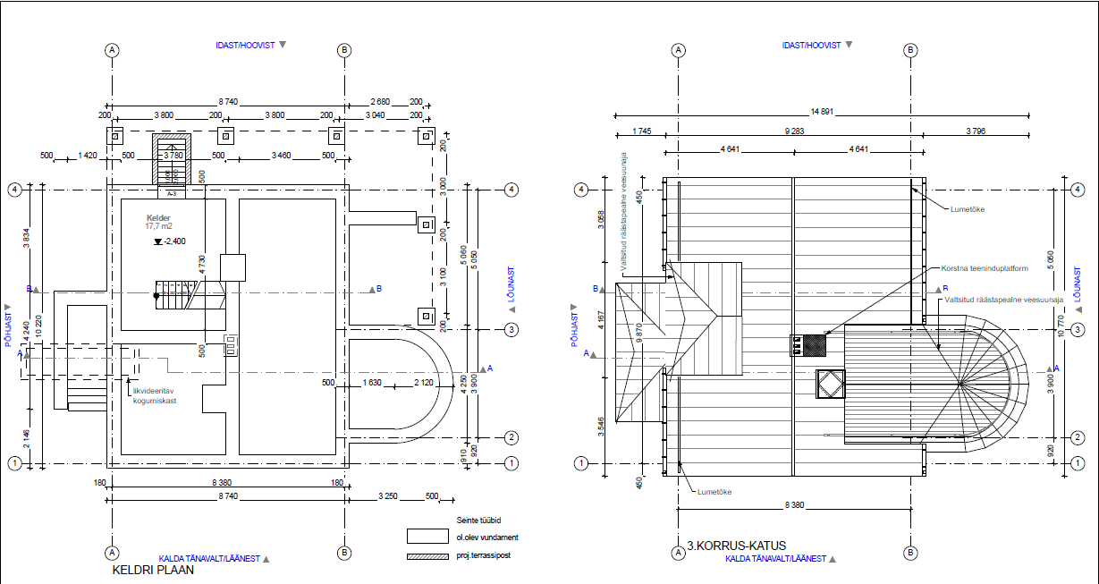
Töö sisu


Soovin pakkumist eramaja fassaadi krohvimiseks ja värvimiseks Nõmmel.

Pakkumist soovin nii materjalile kui tööle.



Tegemist on puitsõrestik majaga. Seina konstruktsioon on järgmine:



Puitsõrestik tugikonstruktsioon

Laudis

100mm puitsõrestik täidetud villaga

tuuletõkkeplaat

distants liist

10mm OSB

Kuna fassaad on kaetud OSB'iga tuleks sellele kõigepealt paigaldada 25mm Eps 60.

Fassaadi pindala ilma akendeta on ~160m2.

Pildid, video ja failid

Hanke korraldaja: eraisik ID35829

Pakkumised

Pakkumisi kokku: 8

Ettevõte Summa Käibemaks Lisatud Vestlus
Kasutaja ikoon ID38405
Pakkuja profiil Väike nool paremale
7 040€ Ei sisalda Ei sisalda 21.04.2015 Vestlus (0)

Pakkumise kirjeldus:

Pakkumine materjalidega,lõpp toon teie valikul

Kasutaja ikoon ID23416
Pakkuja profiil Väike nool paremale
5 400€ Ei sisalda Ei sisalda 22.04.2015 Vestlus (1)

Pakkumise kirjeldus:

Tööraha 3000

Kasutaja ikoon ID4459
Pakkuja profiil Väike nool paremale
6 240€ Sisaldab KM Sisaldab KM 25.04.2015 Vestlus (3)

Pakkumise kirjeldus:

Hinnapakkumine tehtud hanke info põhjal töödele, materjalidele, abi- ja kinnitusvahenditele, tellingute rendile. Töödele garantii

Kasutaja ikoon ID34689
Pakkuja profiil Väike nool paremale
5 910€ Ei sisalda Ei sisalda 25.04.2015 Vestlus (0)

Pakkumise kirjeldus:

Tere, hind sisaldab tellinguid, tööd, prügivedu - kogu kupatus. Lugupidamisega. Kui tarvis, teeme ka sisetöid.

Kasutaja ikoon ID32848
Pakkuja profiil Väike nool paremale
6 000€ Ei sisalda Ei sisalda 26.04.2015 Vestlus (0)
Kasutaja ikoon ID33363
Pakkuja profiil Väike nool paremale
5 450€ Ei sisalda Ei sisalda 27.04.2015 Vestlus (1)

Pakkumise kirjeldus:

Materjali kasutame knauf ,ejot võrk ,värvime mis tahate värvi.
Garantii 5 aasta.
Suur kogemus!
Head tagasisided.

Kasutaja ikoon ID35355
Pakkuja profiil Väike nool paremale
6 220€ Sisaldab KM Sisaldab KM 28.04.2015 Vestlus (0)

Pakkumise kirjeldus:

Tööraha 2900 €. Tööde garantii vastavalt Eesti Vabariigi seadustele.

Kasutaja ikoon ID35973
Pakkuja profiil Väike nool paremale
7 500€ Ei sisalda Ei sisalda 28.04.2015 Vestlus (0)

Pakkumise kirjeldus:

Tere, pakkumine sisaldab alljärgnevat; täismahus Teie poolt loetletud tööde teostamist (täpne pakkumine pärast objektiga tutvumist). Hind sisaldab CAR kindlustust. Ehitus-ja garantiiperioodil ehk ehituse koguriskikindlustus. Muud märkused; Tellijate soovitused, referentsid ja korrektse hinnapakkumise esitame hiljem. Loodame, et meie pakkumine sobib Te ... Rohkem

Küsimused hanke korraldajale

Küsimus: private ID34689   21.04.2015 16:57
Tere, kas te võiksite lisada mõned pildid praegusest olukorrast. Väga hea oleks üks pilt iga külje pealt.

Teavita reeglite rikkumisest

Korraldaja vastus: 22.04.2015 15:26

Lisasin pildid profiilis. Hetkel sissekäigu poolne sein ning selle kohal olen vintskapp lõpetamisel. Selle nädala lõpuks peaks ka need valmis olema.

Teavita reeglite rikkumisest

Lisa küsimus

Lisa küsimus

Minu pakkumine

Reeglid

Pakkumise kirjelduse väli on mõeldud pakkumise detailsemaks lahti kirjutamiseks. Pikema teksti mugavaks sisestamiseks klikkige kasti paremal ülaservas oleval ikoonil.
Pakkumist tehes on keelatud postitada enda kontaktandmeid (nimi, telefon, aadress jne). Me jälgime ja analüüsime pakkumisi, et vältida pettuseid ja reeglite rikkumisi.
Rikkumise puhul kasutajakonto blokeeritakse.

 

Teisi töid samas valdkonnas

Valdkonnas "Fassaaditööd" on 12 aktiivset tööd

Akende ja viilude parandus ja värvimine

Asukoht: Valgamaa, Valga
Aega jäänud: 6h 7 min
Tehtud pakkumisi: 3

Eramaja vintskapide laudise paigaldus

Asukoht: Pärnumaa, Pärnu-Jaagupi
Aega jäänud: 9p 6h
Tehtud pakkumisi: 2

Vanemad teated:

Vaata kõiki

Sellel veebilehel kasutatakse küpsiseid. Kasutamist jätkates nõustute küpsiste kasutamisega.

Sulge
 
Minu pakkumine

Reeglid

Pakkumise kirjelduse väli on mõeldud pakkumise detailsemaks lahti kirjutamiseks. Pikema teksti mugavaks sisestamiseks klikkige kasti paremal ülaservas oleval ikoonil.
Pakkumist tehes on keelatud postitada enda kontaktandmeid (nimi, telefon, aadress jne). Me jälgime ja analüüsime pakkumisi, et vältida pettuseid ja reeglite rikkumisi.
Rikkumise puhul kasutajakonto blokeeritakse.