+ Lisa oma töö      

Otsid ehitajat "Projekteerimine" valdkonnast?

Parima pakkumise ja teostaja leidmiseks lisa oma töö.

MITTE-ELAMU, PIIRDEAIA JA KASVUHOONE PÜSTITAMISEKS VAJALIK PROJEKT JM. DOKUMENT

ID 40195

2652 vaatamist

Prindi

  • check Pakkumiste tegemine
    kuni 28.06.2017
  • check Võitja valik kuni
    05.07.2017
  • 3 Töö teostamine
    ja hinnang
Hanke lõpp: K, 28. juuni, 2017
Maakond: Harjumaa
Muu asula: Saku vald, Harjumaa
Tööde algus: K, 28. juuni, 2017 (Soovituslik)
Tööde lõpp: R, 28. juuli, 2017 (Soovituslik)
Ehitusmaterjalid: Töö tegija poolt

Töö sisu

MITTE-ELAMU (60m2), PIIRDEAIA JA KASVUHOONE PÜSTITAMISEKS VAJALIK DOKUMENTATSIOON JA KOOSKÕLASTUSED

Aadressile Saustinõmme, Saku vald (katastritunnus 71801:001:0643, pindala 3 884 m², sihtotstarve ärimaa 100%) on plaanis rajada mitte-elamu, piirdeaed ja kasvuhoone. Pakkumist ja teostamise tähtaega ootaks dokumentatsiooni koostamise ja kooskõlastamise kohta KOV-ga ja teiste seadusandluses ettenähtud institutsioonidega järgmiselt:

1. MITTE-ELAMU EHITUSTEATIS JA –PROJEKT;
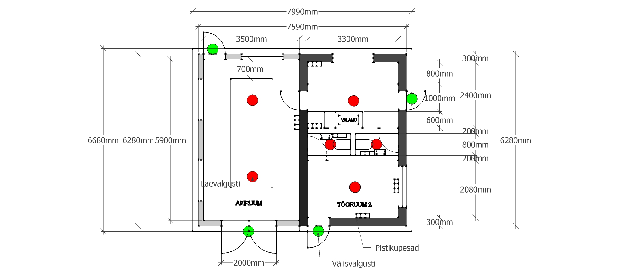
o Mitte-elamu suurus maksimaalselt 60m2, kõrgus kuni 5m (visioon ruumijaotusest lisas);
o Viilkatusega, välisviimistlus puit-laudis;
o Tööruumid aastaringseks kasutamiseks, abiruum ei ole soojustatud;
o Krunt asub sideehitise (sideehitis maismaal), elektrimaakaabelliini ning avalikult kasutatava tee (riigimaantee: Tallinn - Rapla - Türi) kaitsevööndites ja Männiku harjutusvälja kui riigikaitselise ehitise piiranguvööndis;
o kinnistul asuvad Kiili-Saustinõmme valgus- ja vaskkaablid (ehitisregistri kood 220540655);

2. MITTE-ELAMU VEE- JA KANALISATSIOONIPROJEKT;
o Vesi krundile rajatavast puurkaevust (puurkaevu projekt ja kooskõlastus tuleb puurkaevu rajajalt ja on hetkel menetluses);
o Olemas liitumine kanalisatsioonitrassiga;

3. MITTE-ELAMU ELEKTRIPROJEKT;
o Elektriliitumine olemas (16A, 3-faasi), kuid kilp veel puudub;
o Visioon valgustite ja pistikupesade asukohtadega lisas;
o Tööruum 2 vajab eraldi elektrimõõtjat;
o Puurkaevu pump ja hüdrofoor vajavad elektritoidet;

4. PIIRDEAIA EHITUSTEATIS JA –PROJEKT;
o DP järgi võib ehitada puidust või metallist 1,5m kõrguse aia;

5. KASVUHOONE 4X20M EHITUSLUBA (kasvuhoone projekt tuleb kasvuhoone müüjalt);


Lisad:
1. Põllu DP seletuskiri
2. Asukoht_kasvuhoone jm.jpg
3. Asukoht_kasvuhoone jm_2.jpg
4. abihoone_elekter.jpg
5. abihoone_ruumijaotus.jpg

Pildid, video ja failid

Hanke korraldaja: ettevõte ID45437

Pakkumised

Pakkumisi kokku: 0

Küsimused hanke korraldajale

Küsimus: private ID28669   15.06.2017 12:07
Tere<br />
<br />
Palume lisas DP seletus ja põhijoonis lisada<br />
Ka sprjekteerimisalus- ehitusgeodeetiline alusplaan on olemas või tuleb meil tellida

Teavita reeglite rikkumisest

Korraldaja vastus: 15.06.2017 12:37

Tere, <br />
<br />
DP põhijoonis nüüd ka lisatud. Geodeetiline alusplaan puudub, palume hanke võitjal tellida.

Teavita reeglite rikkumisest

Lisa küsimus

Lisa küsimus

Minu pakkumine

Reeglid

Pakkumise kirjelduse väli on mõeldud pakkumise detailsemaks lahti kirjutamiseks. Pikema teksti mugavaks sisestamiseks klikkige kasti paremal ülaservas oleval ikoonil.
Pakkumist tehes on keelatud postitada enda kontaktandmeid (nimi, telefon, aadress jne). Me jälgime ja analüüsime pakkumisi, et vältida pettuseid ja reeglite rikkumisi.
Rikkumise puhul kasutajakonto blokeeritakse.

 

Teisi töid samas valdkonnas

Valdkonnas "Projekteerimine" on 8 aktiivset tööd

Ehitusprojekt 129 m2 abihoone ümberehitamiseks ja suurendamiseks

Asukoht: Jõgevamaa, Pikknurme
Aega jäänud: 1p 5h
Tehtud pakkumisi: 5

no-img Pilt puudub

Korteri mõõdistusprojekt

Asukoht: Harjumaa, Tallinn
Aega jäänud: 1p 5h
Tehtud pakkumisi: 3

Vanemad teated:

Vaata kõiki

Sellel veebilehel kasutatakse küpsiseid. Kasutamist jätkates nõustute küpsiste kasutamisega.

Sulge
 
Minu pakkumine

Reeglid

Pakkumise kirjelduse väli on mõeldud pakkumise detailsemaks lahti kirjutamiseks. Pikema teksti mugavaks sisestamiseks klikkige kasti paremal ülaservas oleval ikoonil.
Pakkumist tehes on keelatud postitada enda kontaktandmeid (nimi, telefon, aadress jne). Me jälgime ja analüüsime pakkumisi, et vältida pettuseid ja reeglite rikkumisi.
Rikkumise puhul kasutajakonto blokeeritakse.