+ Lisa oma töö      

Otsid ehitajat "Siseviimistlustööd" valdkonnast?

Parima pakkumise ja teostaja leidmiseks lisa oma töö.

Hange on lõppenud!

Võitjaks osutus kasutaja ID 46500

Valmiva ühekordse elumaja Aeroc/Bauroc siseseinte viimistlustöö

ID 41866

3747 vaatamist

Prindi

  • check Pakkumiste tegemine
    kuni 27.12.2017
  • check Võitja valik kuni
    12.01.2018
  • 3 Töö teostamine
    ja hinnang
Hanke lõpp: K, 27. detsember, 2017
Maakond: Tartumaa
Muu asula: Pihva küla
Tööde algus: E, 08. jaanuar, 2018 (Soovituslik)
Tööde lõpp: K, 31. jaanuar, 2018 (Soovituslik)
Ehitusmaterjalid: Töö tellija poolt

Töö sisu

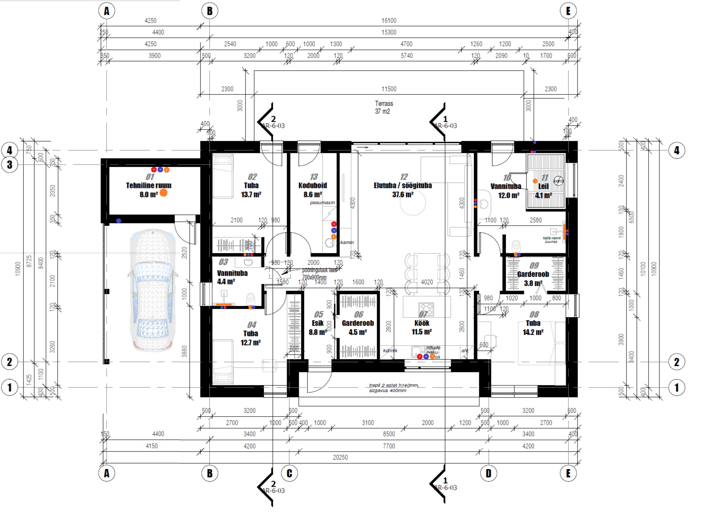
On vaja teostada ühekordse elumaja siseseinte ja lagede viimistlus ja maalritööd. Seinad (nii sise kui välis) on laotud Aeroc/Bauroc plokkidest. Laed on kipsplaadist.

Huvitab tööraha ruutmeetri hind
Viimistlemist vajavate eluruumide põranda kogupind on 130m2
Viimistlemisele lähevad kõik siseruumide seinad ja laed (va sanruumide mõned seinad, mis jäävad keraamilise plaadi alla).

Kõik materjalid toob tellija. Materjali soovituse annab töö teostaja.

Oleksin huvitatud tegema kaupa näiteks kahest või kolmest inimesest koosneva meeskonnaga, kellel ei ole veel vahendajat.
Töö oleks vaja ära teha ühe valuga so teisi objekte vahele võtmata.

Oluline on varasem töökogemus Aeroci seinte viimistlemisel.
Kuna tegu on viimistlusega, siis on samuti väga oluline töö kvaliteet.
Tasu ainult sularahas.

Pildid, video ja failid

Hanke korraldaja: eraisik ID45201

Pakkumised

Pakkumisi kokku: 2

Ettevõte Summa Käibemaks Lisatud Vestlus
Kasutaja ikoon ID46500
Pakkuja profiil Väike nool paremale
10€ Sisaldab KM Sisaldab KM 23.12.2017 Vestlus (8)

Pakkumise kirjeldus:

Kvaliteet korralik,garantii3aastat,materjal teie poolt

Kasutaja ikoon ID37033
Pakkuja profiil Väike nool paremale
10€ Ei sisalda Ei sisalda 27.12.2017 Vestlus (4)

Pakkumise kirjeldus:

Tere

Firmal kogemust 24aastat

Küsimused hanke korraldajale

Küsimus: private ID42628   28.11.2017 10:23
Tere!<br />
<br />
1. Mis on lagede kõrgus?<br />
2. Mida mõtlete viimistluse all (lauspahtel, krunt vms)?<br />
3. Mitmes kihis värvimist (maalritööd) soovite?

Teavita reeglite rikkumisest

Korraldaja vastus: 28.11.2017 11:34

Tere<br />
<br />
Lagede kõrgus erinev, eluruumides 2,8. Mõnedes ruumides nagu san ruumid näiteks tuleb lagi madalam.<br />
Viimistluse all mõtlen Aerocist laotud siseruumi seina saamist värvitud seina pinnaks.<br />
Ei oska öelda mitmes kihis, aga nii et sein ühtlase värvi all oleks, et ei kumaks läbi jne.<br />
<br />
PS aknaavade arv on jooniselt näha. Ainult köögi, vannitoa ja sauna aken on nn aknalauaga. Ülejäänud aknad ulatuvad põrandani.

Teavita reeglite rikkumisest

Küsimus: private ID3098   09.12.2017 20:48
Kas aeroc on laotud lubatud 2-3mm.kõikumisega või tarvis eelnevalt latiga krohvima hakata ja kas kipsi paigaldus on korrektne?

Teavita reeglite rikkumisest

Korraldaja vastus: 09.12.2017 22:04

Tere<br />
Ladumisel käis mees pidevalt seinad latiga üle küll so usun et on see mis vaja.<br />
Kipsi karkass on läks lakke samuti pärast sirgeks loodimist.<br />
Seintele võiks minna armeering ja MP 75

Teavita reeglite rikkumisest

Küsimus: private ID3098   10.12.2017 09:57
Tere.Kas avade paled on kipsiga eelnevalt tehtud ja kas oleks võimalik endal 3m.latiga ka ikkagi seinad üle vaadata,et hilisemaid hinna vaidlusi ennetada,suur vahe kas tarvis jämepahtliga tasandada esimene kiht või hakata latiga krohvima eelnevalt.Tänan

Teavita reeglite rikkumisest

Korraldaja vastus: 10.12.2017 22:06

Õhtust, avad ei ole kipsiga tehtud, on Aerocist laotud avad hetkel. Vaatan seinad latiga üle. Parimat, Üllar

Teavita reeglite rikkumisest

Küsimus: private ID37033   13.12.2017 16:28
Tere.<br />
<br />
Kas majas on küte sees sa,samuti vesi

Teavita reeglite rikkumisest

Korraldaja vastus: 13.12.2017 17:11

Tere<br />
<br />
Planeeritav tööde teostamise aeg oleks uue aasta teine nädal. Selleks ajaks on küte sees ja samuti on selleks ajaks saanud siseruum so Aeroc seinad intensiivsemate puhurite ning niiskusimurite abil kuivada.<br />
Vesi on sees<br />
<br />
PS! Seinad on pika latiga üle käidud ja saan öelda, et on laotud nii kuis vaja, kõige halvemal juhul kõikumine ehk 4mm, mitte rohkem.<br />
<br />
Üllar<br />

Teavita reeglite rikkumisest

Lisa küsimus

Lisa küsimus

Minu pakkumine

Reeglid

Pakkumise kirjelduse väli on mõeldud pakkumise detailsemaks lahti kirjutamiseks. Pikema teksti mugavaks sisestamiseks klikkige kasti paremal ülaservas oleval ikoonil.
Pakkumist tehes on keelatud postitada enda kontaktandmeid (nimi, telefon, aadress jne). Me jälgime ja analüüsime pakkumisi, et vältida pettuseid ja reeglite rikkumisi.
Rikkumise puhul kasutajakonto blokeeritakse.

 

Teisi töid samas valdkonnas

Valdkonnas "Siseviimistlustööd" on 24 aktiivset tööd

Korteri remont

Asukoht: Harjumaa, Muraste
Aega jäänud: 2p 5h
Tehtud pakkumisi: 15

Seinte pahteldus ja värvimine

Asukoht: Harjumaa, Türisalu
Aega jäänud: 3p 5h
Tehtud pakkumisi: 7

Vanemad teated:

Vaata kõiki

Sellel veebilehel kasutatakse küpsiseid. Kasutamist jätkates nõustute küpsiste kasutamisega.

Sulge
 
Minu pakkumine

Reeglid

Pakkumise kirjelduse väli on mõeldud pakkumise detailsemaks lahti kirjutamiseks. Pikema teksti mugavaks sisestamiseks klikkige kasti paremal ülaservas oleval ikoonil.
Pakkumist tehes on keelatud postitada enda kontaktandmeid (nimi, telefon, aadress jne). Me jälgime ja analüüsime pakkumisi, et vältida pettuseid ja reeglite rikkumisi.
Rikkumise puhul kasutajakonto blokeeritakse.