+ Lisa oma töö      

Otsid ehitajat "Eramu ehitus" valdkonnast?

Parima pakkumise ja teostaja leidmiseks lisa oma töö.

Juurde ehitus

ID 43758

1083 vaatamist

Prindi

  • check Pakkumiste tegemine
    kuni 21.06.2018
  • check Võitja valik kuni
    28.06.2018
  • 3 Töö teostamine
    ja hinnang
Hanke lõpp: N, 21. juuni, 2018
Maakond: Pärnumaa
Muu asula: Paikuse
Tööde algus: P, 01. juuli, 2018 (Soovituslik)
Tööde lõpp: E, 01. oktoober, 2018 (Soovituslik)
Ehitusmaterjalid: Töö tegija poolt

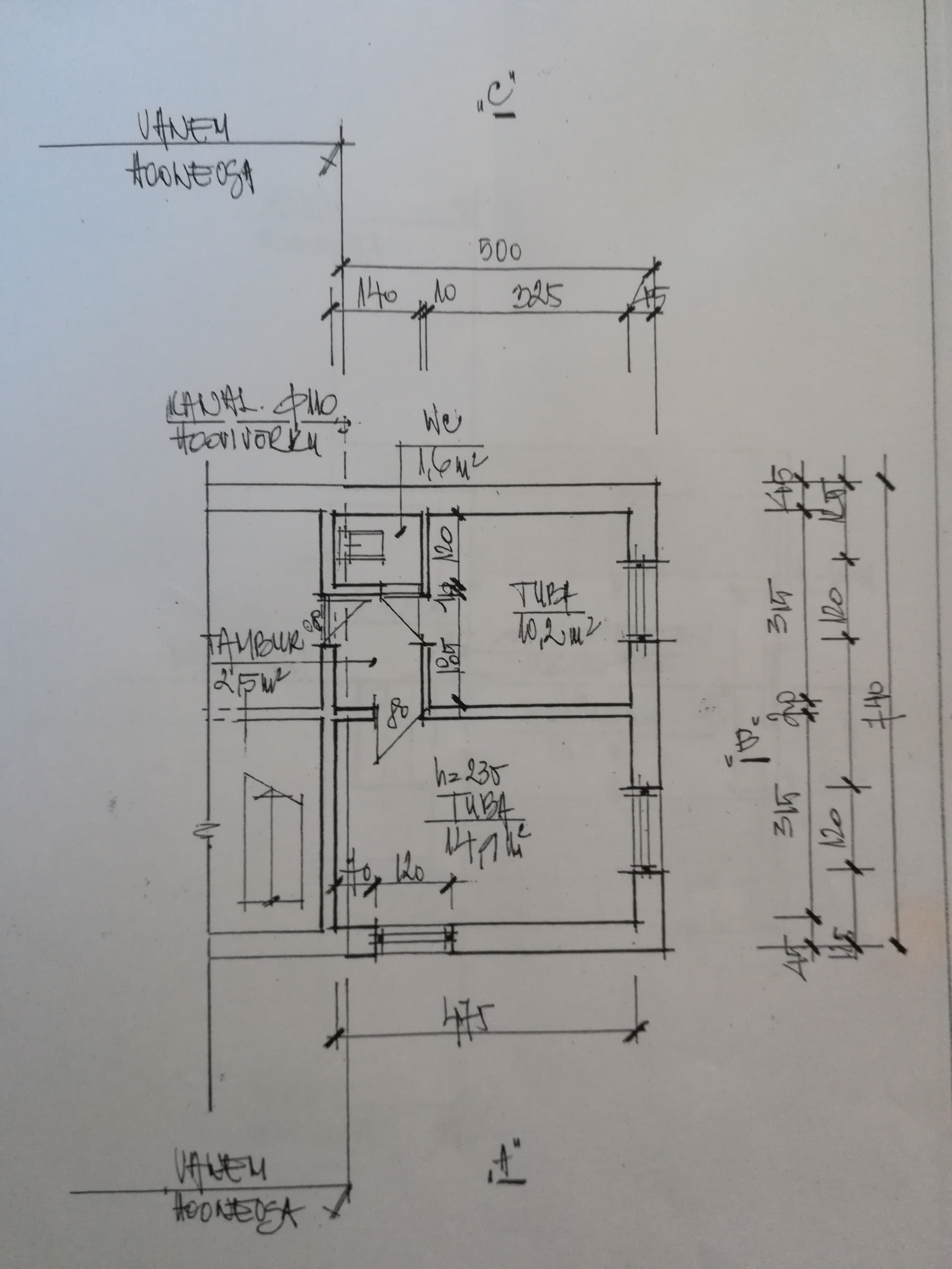
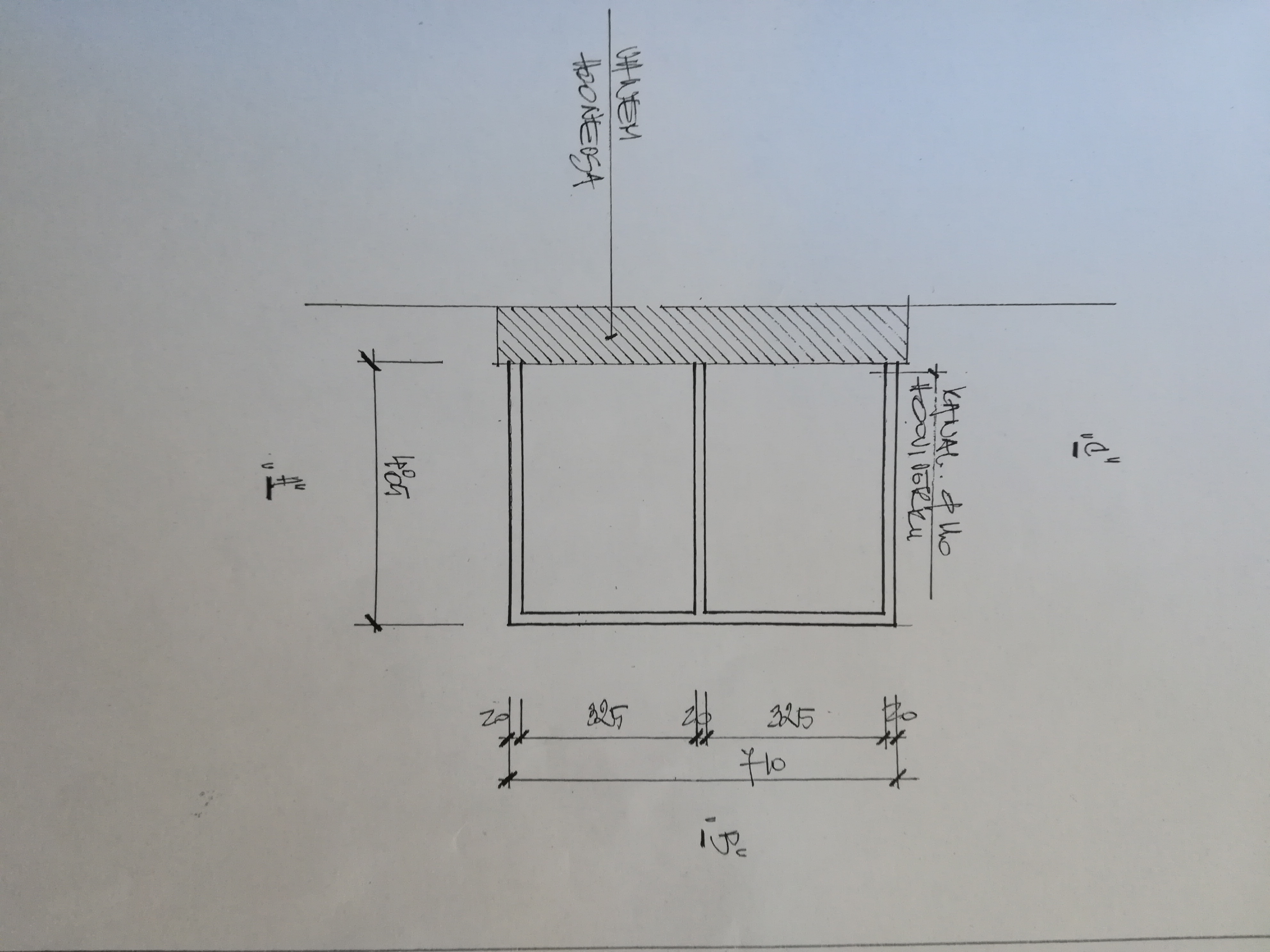
Töö sisu

Juurde ehitus.

Pildid, video ja failid

Hanke korraldaja: eraisik ID48430

Pakkumised

Pakkumisi kokku: 0

Küsimused hanke korraldajale

Küsimus: private ID48294   08.06.2018 12:26
Tere!Sooviks täpsemat infot ? Kivi maja ? Mis katus? Milline vundament jne <br />
Ette tänades ,Karol

Teavita reeglite rikkumisest

Korraldaja vastus: 08.06.2018 12:50

Tere,<br />
lisan 2 faili seal on suurem osa infost olemas.<br />
<br />
Parimat

Teavita reeglite rikkumisest

Lisa küsimus

Lisa küsimus

Minu pakkumine

Reeglid

Pakkumise kirjelduse väli on mõeldud pakkumise detailsemaks lahti kirjutamiseks. Pikema teksti mugavaks sisestamiseks klikkige kasti paremal ülaservas oleval ikoonil.
Pakkumist tehes on keelatud postitada enda kontaktandmeid (nimi, telefon, aadress jne). Me jälgime ja analüüsime pakkumisi, et vältida pettuseid ja reeglite rikkumisi.
Rikkumise puhul kasutajakonto blokeeritakse.

 

Teisi töid samas valdkonnas

Valdkonnas "Eramu ehitus" on 2 aktiivset tööd

Eramu ehitus

Asukoht: Viljandimaa, Viljandi
Aega jäänud: 7p 1h
Tehtud pakkumisi: 0

no-img Pilt puudub

Eramu ehitus. Karp kinni.

Asukoht: Lääne-Virumaa
Aega jäänud: 5p 1h
Tehtud pakkumisi: 0

Vanemad teated:

Vaata kõiki

Sellel veebilehel kasutatakse küpsiseid. Kasutamist jätkates nõustute küpsiste kasutamisega.

Sulge
 
Minu pakkumine

Reeglid

Pakkumise kirjelduse väli on mõeldud pakkumise detailsemaks lahti kirjutamiseks. Pikema teksti mugavaks sisestamiseks klikkige kasti paremal ülaservas oleval ikoonil.
Pakkumist tehes on keelatud postitada enda kontaktandmeid (nimi, telefon, aadress jne). Me jälgime ja analüüsime pakkumisi, et vältida pettuseid ja reeglite rikkumisi.
Rikkumise puhul kasutajakonto blokeeritakse.