+ Lisa oma töö      

Otsid ehitajat "Fassaaditööd" valdkonnast?

Parima pakkumise ja teostaja leidmiseks lisa oma töö.

Kortermaja rõdude korrastamine

ID 47027

885 vaatamist

Prindi

  • check Pakkumiste tegemine
    kuni 30.04.2019
  • check Võitja valik kuni
    07.05.2019
  • 3 Töö teostamine
    ja hinnang
Hanke lõpp: T, 30. aprill, 2019
Maakond: Harjumaa
Linn: Tallinn
Tööde algus: K, 01. mai, 2019 (Soovituslik)
Tööde lõpp: R, 31. mai, 2019 (Soovituslik)
Ehitusmaterjalid: Töö tellija poolt

Töö sisu

Kortermaja rõdupiirete krohvi parandused ja värvimine. 4 rõdul vaja ca 20% ulatuses vana krohv eemaldada ja uuesti krohvida (enne kruntida ), siis kõik rõdud värvida ja rõdu laed samuti korrastada.

Rõdude puhastamine vanast värvist ja krohvist(4 rõdu)
Rõdudele krohviparanduste tegemine(armeeritud) 4 rõdu
Rõdude värvimine
Rõdu lagede puhastamine vanast värvist
Rõdu lagede kohtparandused ja värvimine
Prahi utiliseerimine
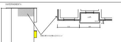
Joonisel hall olev osa korrastada ja värvida.

Tellingud paigaldab UC Rent ja võtab ka maha peale tööde lõppu. Materjalid toob Tellija. Palun hinda kogu eelnimetatud töödele. Tööd on vaja teostada kvaliteetselt ja mai kuu jooksul. Halli osa jaoks toob Tellija tõstuki 1-2 päeva. Maja asub kesklinnas Tallinnas.

Pildid, video ja failid

Hanke korraldaja: eraisik ID49417

Pakkumised

Pakkumisi kokku: 0

Küsimused hanke korraldajale

Küsimus: private ID46684   25.04.2019 17:22
Tere, kas hankke korraldaja on haldusfirma?

Teavita reeglite rikkumisest

Korraldaja vastus: 25.04.2019 18:04

Korraldaja on haldusettevõte.

Teavita reeglite rikkumisest

Küsimus: private ID50492   28.04.2019 16:36
Tere<br />
<br />
Kas oleks ka mõnest rõdust võimalik ka hetke olukorrast pilti näha?

Teavita reeglite rikkumisest

Korraldaja vastus: 01.05.2019 11:49

Hetkel kohe pilti ei ole, kuid kogu info mahutabelis.

Teavita reeglite rikkumisest

Küsimus: private ID38890   30.04.2019 12:42
Tere.<br />
Palju rõdusid kokku on mis vajavad krohvi, värvi jne tööd? Hankest saan aru, et 8.<br />
Või terve maja rõdud värvida ikkagi?<br />
Tänan

Teavita reeglite rikkumisest

Korraldaja vastus: 01.05.2019 11:48

Kokku on 7 rõdu ja pildil hall osa vaja krohvida ja värvida.

Teavita reeglite rikkumisest

Lisa küsimus

Lisa küsimus

Minu pakkumine

Reeglid

Pakkumise kirjelduse väli on mõeldud pakkumise detailsemaks lahti kirjutamiseks. Pikema teksti mugavaks sisestamiseks klikkige kasti paremal ülaservas oleval ikoonil.
Pakkumist tehes on keelatud postitada enda kontaktandmeid (nimi, telefon, aadress jne). Me jälgime ja analüüsime pakkumisi, et vältida pettuseid ja reeglite rikkumisi.
Rikkumise puhul kasutajakonto blokeeritakse.

 

Teisi töid samas valdkonnas

Valdkonnas "Fassaaditööd" on 12 aktiivset tööd

Akende ja viilude parandus ja värvimine

Asukoht: Valgamaa, Valga
Aega jäänud: 8h 59 min
Tehtud pakkumisi: 3

Eramaja vintskapide laudise paigaldus

Asukoht: Pärnumaa, Pärnu-Jaagupi
Aega jäänud: 9p 8h
Tehtud pakkumisi: 2

Vanemad teated:

Vaata kõiki

Sellel veebilehel kasutatakse küpsiseid. Kasutamist jätkates nõustute küpsiste kasutamisega.

Sulge
 
Minu pakkumine

Reeglid

Pakkumise kirjelduse väli on mõeldud pakkumise detailsemaks lahti kirjutamiseks. Pikema teksti mugavaks sisestamiseks klikkige kasti paremal ülaservas oleval ikoonil.
Pakkumist tehes on keelatud postitada enda kontaktandmeid (nimi, telefon, aadress jne). Me jälgime ja analüüsime pakkumisi, et vältida pettuseid ja reeglite rikkumisi.
Rikkumise puhul kasutajakonto blokeeritakse.