+ Lisa oma töö      

Otsid ehitajat "Lammutustööd" valdkonnast?

Parima pakkumise ja teostaja leidmiseks lisa oma töö.

Korteri ümberehitus

ID 49443

1373 vaatamist

Prindi

  • check Pakkumiste tegemine
    kuni 29.11.2019
  • check Võitja valik kuni
    06.12.2019
  • 3 Töö teostamine
    ja hinnang
Hanke lõpp: R, 29. november, 2019
Maakond: Harjumaa
Linn: Tallinn
Tööde algus: E, 11. november, 2019 (Soovituslik)
Tööde lõpp: E, 25. november, 2019 (Soovituslik)
Ehitusmaterjalid: Töö tegija poolt

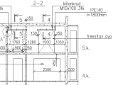
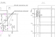
Töö sisu

Sooviks lammutustööd + järelvalve pakkumisi.

Kaks ukseava vajavad sillust.
Kaks ukseava laiemaks, ei vaja sillust.
Täpsem info joonistel ja saab veel täpsustada kui huvi.

Projekt olemas.


Asub kesklinnas, korrus 5/5, hoovi peal saab parkida.
Lifti ei ole.

Pildid, video ja failid

Hanke korraldaja: eraisik ID52468

Pakkumised

Pakkumisi kokku: 2

Ettevõte Summa Käibemaks Lisatud Vestlus
Kasutaja ikoon ID53003
Pakkuja profiil Väike nool paremale
2 500€ Sisaldab KM Sisaldab KM 19.11.2019 Vestlus (0)

Pakkumise kirjeldus:

Tere,

Hinnapakkumises on arvestatud kõik tellija soovid, mis on toodud hanke kirjelduses. Meie ettevõtte omab kõik vajalikud majandustegevuse litsentsid, samuti omame CAR kindlustust, mis katab kõik meie riskid. 100 euro eest võime pakkuda ka kasutusteatise esitamise teenust.

Ootame Teie poolset otsust ning loodame, et meie tingimused on vastuvõe ... Rohkem

Kasutaja ikoon ID37753
Pakkuja profiil Väike nool paremale
2 300€ Ei sisalda Ei sisalda 29.11.2019 Vestlus (0)

Pakkumise kirjeldus:

Tere! Meie hinnapakkumine antud tööle koos järelvalve pakkumistega ja tekkinud sodi ära veoga ja endal järel koristamisega oleks 2300€+km( kui sularahas siis km-i ei lisandu). Tööde kestvus 3-4 päeva ja töödega saaksime alustada Teile sobival ajal kui annata mõistliku aja ette teada. Lgp Timo.

Küsimused hanke korraldajale

Hanke korraldajale ei ole veel küsimusi esitatud.

Lisa küsimus

Lisa küsimus

Minu pakkumine

Reeglid

Pakkumise kirjelduse väli on mõeldud pakkumise detailsemaks lahti kirjutamiseks. Pikema teksti mugavaks sisestamiseks klikkige kasti paremal ülaservas oleval ikoonil.
Pakkumist tehes on keelatud postitada enda kontaktandmeid (nimi, telefon, aadress jne). Me jälgime ja analüüsime pakkumisi, et vältida pettuseid ja reeglite rikkumisi.
Rikkumise puhul kasutajakonto blokeeritakse.

 

Teisi töid samas valdkonnas

Valdkonnas "Lammutustööd" on 6 aktiivset tööd

Saunamaja lammutus

Asukoht: Läänemaa, Rälby
Aega jäänud: 6p 18h
Tehtud pakkumisi: 4

Vanemad teated:

Vaata kõiki

Sellel veebilehel kasutatakse küpsiseid. Kasutamist jätkates nõustute küpsiste kasutamisega.

Sulge
 
Minu pakkumine

Reeglid

Pakkumise kirjelduse väli on mõeldud pakkumise detailsemaks lahti kirjutamiseks. Pikema teksti mugavaks sisestamiseks klikkige kasti paremal ülaservas oleval ikoonil.
Pakkumist tehes on keelatud postitada enda kontaktandmeid (nimi, telefon, aadress jne). Me jälgime ja analüüsime pakkumisi, et vältida pettuseid ja reeglite rikkumisi.
Rikkumise puhul kasutajakonto blokeeritakse.