+ Lisa oma töö      

Otsid ehitajat "Üldehitus" valdkonnast?

Parima pakkumise ja teostaja leidmiseks lisa oma töö.

Majakarbi sisetööd

ID 6084

4950 vaatamist

Prindi

  • check Pakkumiste tegemine
    kuni 17.12.2007
  • check Võitja valik kuni
    24.12.2007
  • 3 Töö teostamine
    ja hinnang
Hanke lõpp: E, 17. detsember, 2007
Maakond: Harjumaa
Tööde algus: T, 01. jaanuar, 2008 (Soovituslik)
Tööde lõpp: N, 01. mai, 2008
Ehitusmaterjalid: Töö tegija poolt

Töö sisu

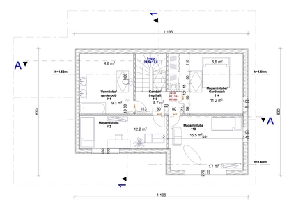
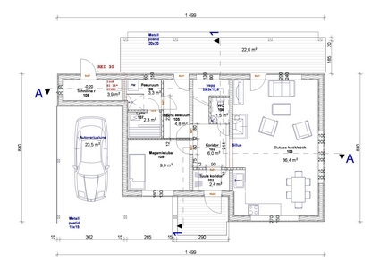
Maja on "külmkarbi" kujul. Vajalikud sisetööd.

Pildid, video ja failid

Hanke korraldaja: eraisik ID8613

Pakkumised

Pakkumisi kokku: 3

Ettevõte Summa Käibemaks Lisatud Vestlus
Kasutaja ikoon ID6108
Pakkuja profiil Väike nool paremale
44,7€ Ei sisalda Ei sisalda 16.12.2007 Vestlus (0)

Pakkumise kirjeldus:

m2. (põranda, lae, seinte) Koos materjaliga.

Kasutaja ikoon ID8192
Pakkuja profiil Väike nool paremale
57,5€ Ei sisalda Ei sisalda 17.12.2007 Vestlus (0)

Pakkumise kirjeldus:

see on m2 hind.täpsem hind kohapeal objektiga tutvumisel.aitäh

Kasutaja ikoon ID8248
Pakkuja profiil Väike nool paremale
41 542,6€ Sisaldab KM Sisaldab KM 17.12.2007 Vestlus (0)

Pakkumise kirjeldus:

täpne hind objekti vaatamisel

Küsimused hanke korraldajale

Küsimus: private ID3305   14.12.2007 16:21
kirjuta rohkem lahti,millest on maja ehitatud ja milliseid materjale soovite kasutada

Teavita reeglite rikkumisest

Korraldaja vastus:
Hanke korraldaja ei ole küsimusele veel vastanud

Küsimus: private ID1524   15.12.2007 11:39
Kus maja asub?

Teavita reeglite rikkumisest

Korraldaja vastus: 24.05.2026 23:11

Kiilis

Teavita reeglite rikkumisest

Küsimus: private ID4342   15.12.2007 20:36
Kirjuta infot kui küsitakse sa ei saa eestikeelest aru või mis oled niisama totakas?

Teavita reeglite rikkumisest

Korraldaja vastus:
Hanke korraldaja ei ole küsimusele veel vastanud

Küsimus: private ID3818   16.12.2007 00:10
liiga vähe infot et midagi pakkuda :(

Teavita reeglite rikkumisest

Korraldaja vastus:
Hanke korraldaja ei ole küsimusele veel vastanud

Küsimus: private ID8144   16.12.2007 12:27
Milliseis sisetöid on vaja? palju on m2?

Teavita reeglite rikkumisest

Korraldaja vastus:
Hanke korraldaja ei ole küsimusele veel vastanud

Küsimus: private ID6247   16.12.2007 14:25
Totakas päring - vajalikud sisetööd!!! Milliseid töid, mis mahus? Kas on ületamatult raske vastata?

Teavita reeglite rikkumisest

Korraldaja vastus:
Hanke korraldaja ei ole küsimusele veel vastanud

Küsimus: private ID3305   16.12.2007 16:29
kuule ärimees kas sa ei ole ehituse asja kompententne või mängid lolli

Teavita reeglite rikkumisest

Korraldaja vastus:
Hanke korraldaja ei ole küsimusele veel vastanud

Lisa küsimus

Lisa küsimus

Minu pakkumine

Reeglid

Pakkumise kirjelduse väli on mõeldud pakkumise detailsemaks lahti kirjutamiseks. Pikema teksti mugavaks sisestamiseks klikkige kasti paremal ülaservas oleval ikoonil.
Pakkumist tehes on keelatud postitada enda kontaktandmeid (nimi, telefon, aadress jne). Me jälgime ja analüüsime pakkumisi, et vältida pettuseid ja reeglite rikkumisi.
Rikkumise puhul kasutajakonto blokeeritakse.

 

Teisi töid samas valdkonnas

Valdkonnas "Üldehitus" on 37 aktiivset tööd

Põrandakütte torustiku ja kollektori paigaldus.

Asukoht: Harjumaa, Kurkse
Aega jäänud: 11p
Tehtud pakkumisi: 4

no-img Pilt puudub

Heliisolatsiooni paigaldus

Asukoht: Harjumaa, Tallinn
Aega jäänud: 48 min
Tehtud pakkumisi: 3

Vanemad teated:

Vaata kõiki

Sellel veebilehel kasutatakse küpsiseid. Kasutamist jätkates nõustute küpsiste kasutamisega.

Sulge
 
Minu pakkumine

Reeglid

Pakkumise kirjelduse väli on mõeldud pakkumise detailsemaks lahti kirjutamiseks. Pikema teksti mugavaks sisestamiseks klikkige kasti paremal ülaservas oleval ikoonil.
Pakkumist tehes on keelatud postitada enda kontaktandmeid (nimi, telefon, aadress jne). Me jälgime ja analüüsime pakkumisi, et vältida pettuseid ja reeglite rikkumisi.
Rikkumise puhul kasutajakonto blokeeritakse.